福建龍溪軸承(集團)股份有限公司屬漳州市屬重點國有控股上市企業。現因生產需要,擬采購壹臺橢圓槽加工專機,根據我司管理制度要求,將采取內部邀請招標方式確定供應商。現歡迎潛在合格的供應商前來報名,參與該項目投標。
一、投標報名人的資格要求:
1.依法注冊,具有獨立法人的實體注冊企業,具備履行合同所必需設備和專業技術能力的制造商、經銷商、代理商;
2. 近三年與本項目相同或相類似的設備銷售業績。
二、報名須知
1.報名時間:2020年12月24 日至 2020年12月30日。(上午:8:30~11:30、下午:15:00~17:00)
2. 報名方式:郵箱報名,參與投標的申請人須將公司的營業執照復件件及近三年與本項目相同或相類似的設備銷售業績加蓋公章,發至采購人指定郵箱,并注明“橢圓槽加工專機采購項目報名資料、公司名稱、項目聯系人姓名、聯系方式”。
3. 咨詢電話:0596-2072080每天上午 8:00至11:00 ,下午 15:00至 17:00(北京時間,法定節假日、雙休日除外 )。
三、獲取招標文件時間: 2020年12月31日。
四、獲取招標文件方式:采購人將以電子郵件的形式發給各投標人。
五、采購需求:詳見附件
六、采購單位:福建龍溪軸承(集團)股份有限公司
聯 系 人:林先生
郵箱:linyh@ls.com.cn
地址:漳州市薌城區騰飛路388號 郵編:363000
福建龍溪軸承(集團)股份有限公司
2020年 12 月 24 日
附件:
1、采購需求:
1.1?設備名稱:橢圓槽加工專機
1.2?功能、結構須滿足如下要求:
橢圓槽專機配置重型直角銑頭,能實現四軸三聯動,可加工軸承、軸套內、外表面的空間槽,銑削加工效率高。專機設備可更換不同的定制銑刀,可涵蓋了多種槽型的加工。專機設備具有工作平穩、切削速度快、可靠性高等特點。
設備主要技術參數指標:
設備主要配置:
型號節拍要求:
工藝圖紙要求:
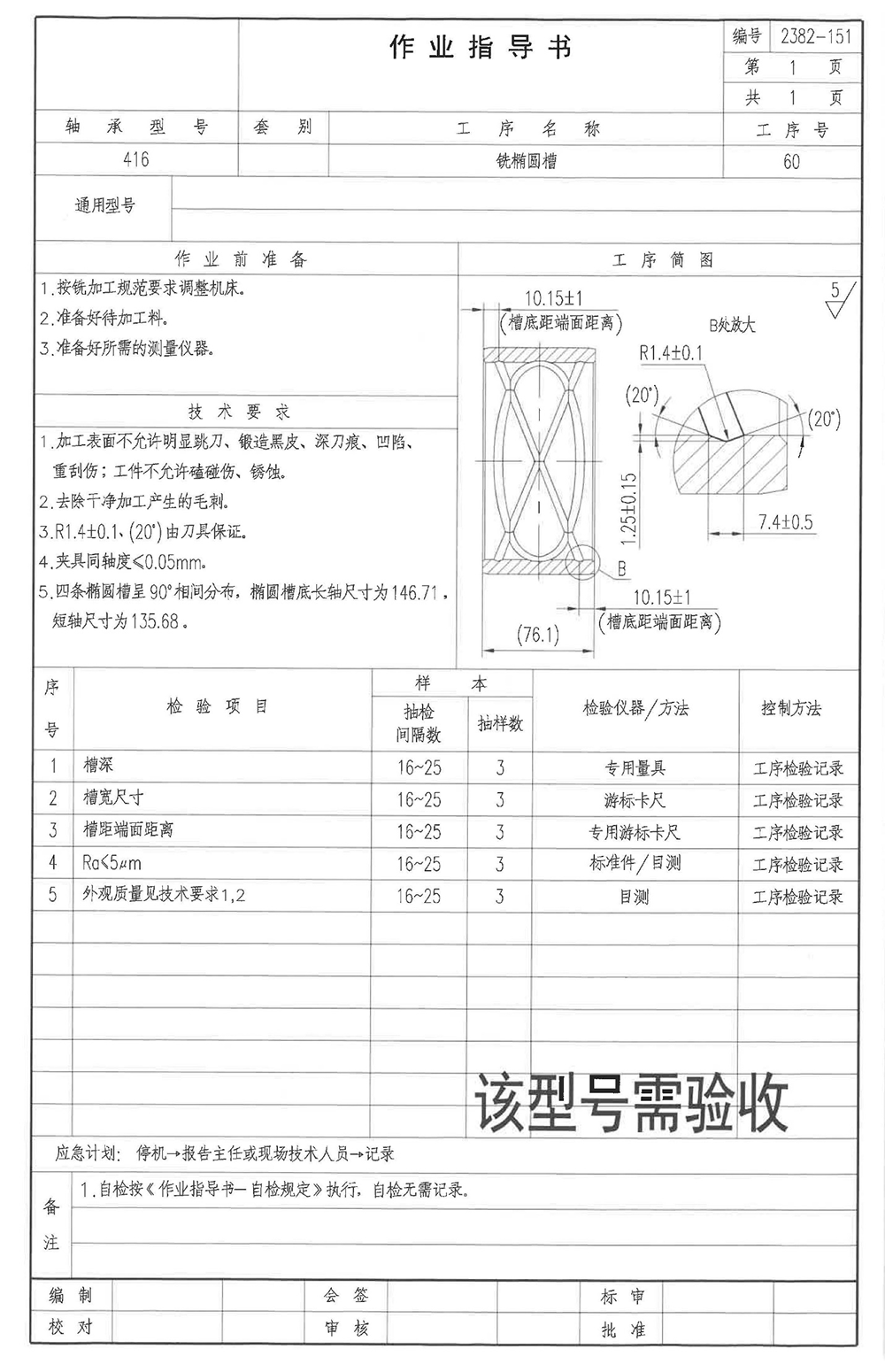
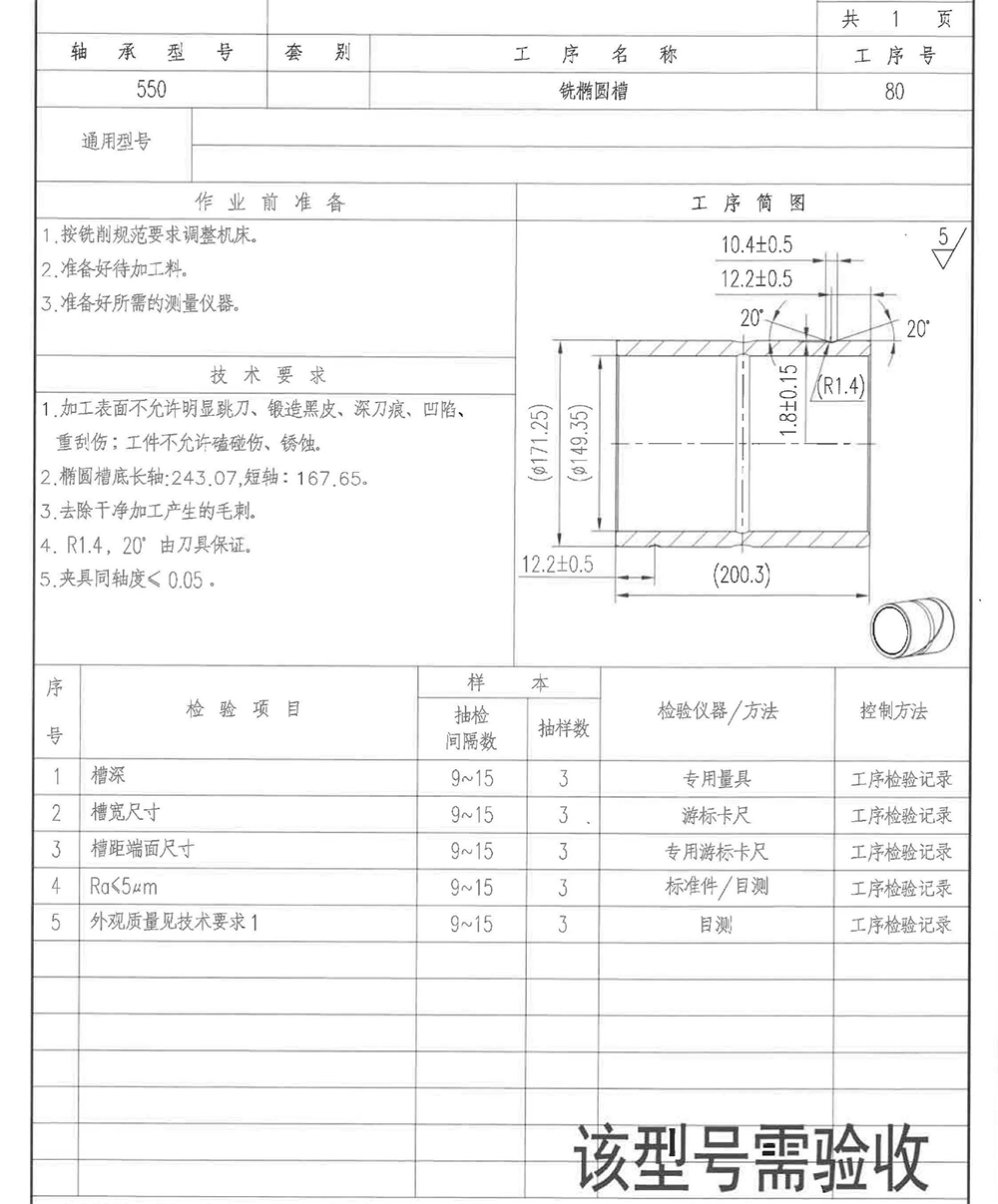
驗收型號的尺寸加工要求如附圖
設備驗收關注點收點
(1)設備功能要求
(2)產品尺寸精度、表面粗糙度驗收
(3)產品加工節拍要求
(4)主要配置要求:按設備結構要求和廠家技術要求驗收。
工具、易損件、隨機附件及技術資料:按供應商技術協議要求驗收
2、設備技術要求總則
2.1?本技術要求為最低限度的技術要求,并未對一切技術細節做出規定,也未充分引述有關標準和規范的條文,供應商應保證提供符合或優于本技術規格書和有關工業標準的優質產品。
2.2?具備良好的人機對話功能,可全自動運行。設備節能環保、安全,操作維修方便,造型美觀,運行穩定、可靠。
2.3?設備及其配套的零部件須保證是全新的,零部件、電氣元件需選用國際品牌、國內馳名品牌。且所用的電氣材料必須是中國強制性產品認證(CCC)的產品。
2.4?設備服務要求:供方在按上述供貨范圍提供設備的同時,須提供與之相應的伴隨服務。包括:技術資料、安裝調試、現場試運行、技術支持、技術服務、技術培訓等,以及在文中未提及的、隱含的其他必須由供方提供的相關服務。
3、售后服務、培訓和技術資料等
3.1?全套設備運輸、現場卸貨、安裝調試均由供貨方負責,用戶配合并實行交鑰匙工程。(我司給以必要配合實施)
3.2?設備到達用戶所在地后,在接到用戶安裝通知后7個工作日內執行免費安裝、調試和培訓;人員培訓是指設備操作培訓,直到操作者會操作為止。
3.3?保修:供方須擁有專業資深維修工程師。在設備保修期內不收取零部件及其它費用(人為損壞因素除外),實行保修服務,并提供設備終身售后服務。
3.4?設備保修期滿之后,應提供廣泛而優惠的技術支持及備件的供應。
3.5?維修響應:接到用戶通知后,8小時內做出響應,48小時內給出明確解決方案,遵循盡量在最短時間內為用戶解決問題的原則,如需要,在48小時內趕到現場,一般類故障3個工作日內修復,特殊類故障7個工作日內修復。
3.6?提供壹套使用說明書。說明書滿足使用、維護、保養、操作、安全、安裝、調整的需要、裝訂整齊規范。
3.7?提供出廠合格證明、裝箱清單以及其它相關資料。
*文件資料:提供中文版設備操作和維護手冊、應用軟件的操作和編程手冊、數控系統的操作和編程手冊、電氣控制原理圖、裝配結構圖、伺服系統驅動程序工裝及自制易損備件圖、等資料電子版及紙制版一套。(軟件部分電子版即可,可根據設備及廠家進行選擇)
附圖:







